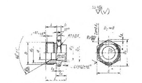
Штуцер припайной ГОСТ 16044-70

В наличии
  • Описание
  • Характеристики
  • Оплата и доставка

Доставка

Грузы отправляются транспортными компаниями Деловые Линии, ПЭК, Байкал Сервис, Dimex, СДЭК, Major.

Заказать звонок

Укажите свой контактный телефон, и мы перезвоним вам в течении 5 минут

Отправить заявку
Прикрепить свои файлы